27 Oct,2025
Hiệu suất của bộ truyền động thủy lực xoay như thế nào so với các hệ thống bánh răng truyền thống?


Động cơ có áp suất cao, truyền động tốc độ cao và van cân bằng,
Nó được thiết kế cho điều kiện tải cao
Đây là giải pháp lý tưởng cho máy xúc thủy lực 6 đến 50 tấn
Thiết kế hiệu quả và nhỏ gọn
Công nghệ áp suất cao làm tăng hiệu quả của hệ thống thủy lực
Động cơ hai tốc độ có van cân bằng tích hợp và van giảm áp
Động cơ tích hợp chức năng phanh thủy lực
Tốc độ có thể được tự động thay đổi theo yêu cầu
Nhiệt độ thấp, hiệu quả cao
Phạm vi nhiệt độ hoạt động: -20 ° C ~ 80 ° C
Thiết kế nhỏ gọn
Động cơ áp suất cao có dung tích thấp giúp kéo dài tuổi thọ của các bộ phận quan trọng và nâng cao toàn bộ
Độ bền của hệ thống
Lớp lót hoàn toàn bằng đồng để quay pít tông thủy lực
Khay phân phối kim loại đôi (đồng/thép)
Vòng quay kết hợp với hệ thống lò xo đặc biệt giúp nâng cao tuổi thọ của động cơ
Hệ thống làm kín ba của bộ giảm tốc: phốt mê cung cơ khí, phốt dầu loại V, phốt dầu chính.
Phớt dầu chính có thể được thay thế mà không cần tháo rời bộ giảm tốc
Vòng bi của bộ giảm tốc là các bộ phận độc lập, dễ lắp đặt và có thể được cài đặt sẵn hoàn toàn cho tải âm
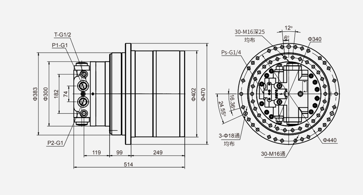
ITM01:
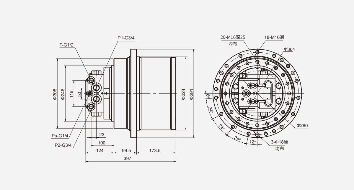
| phương thức | (L/phút) | (ML/r) | (Mpa) | (Mpa) | Tỷ số truyền | (Nm) | (vòng/phút) | Xoay | (°C) | (mm2/s) |
| ITM01 | 20 | 31/6/12.56 | 25 | 2-7 | 36.96 | 1845 | 85,8/43 | hai chiều | -20- 80 | 16-25 |
| phương thức | (L/phút) | (ML/r) | (Mpa) | (Mpa) | Tỷ số truyền | (Nm) | (vòng/phút) | Xoay | (°C) | (mm2/s) |
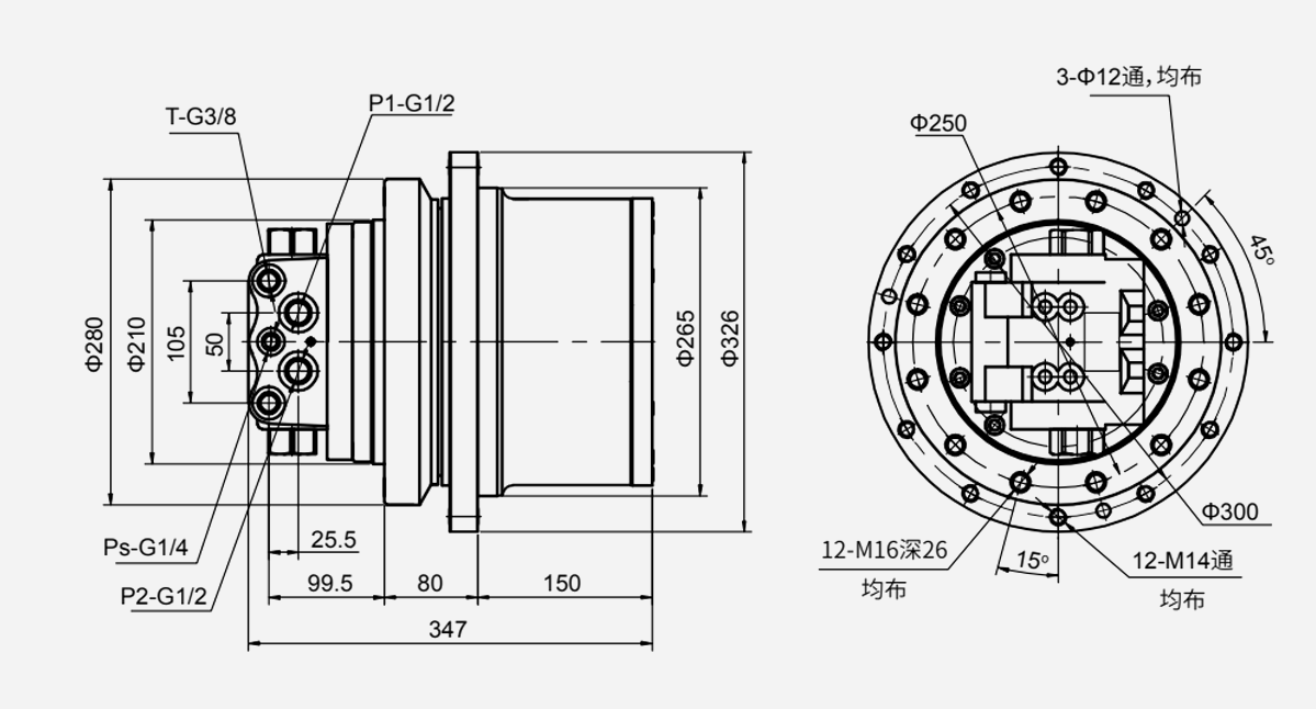
| ITM03 | 40 | 18/12 | 21 | 2-7 | 45.2 | 2719 | 55/37 | hai chiều | -20- 80 | 16-25 |
ITM04:
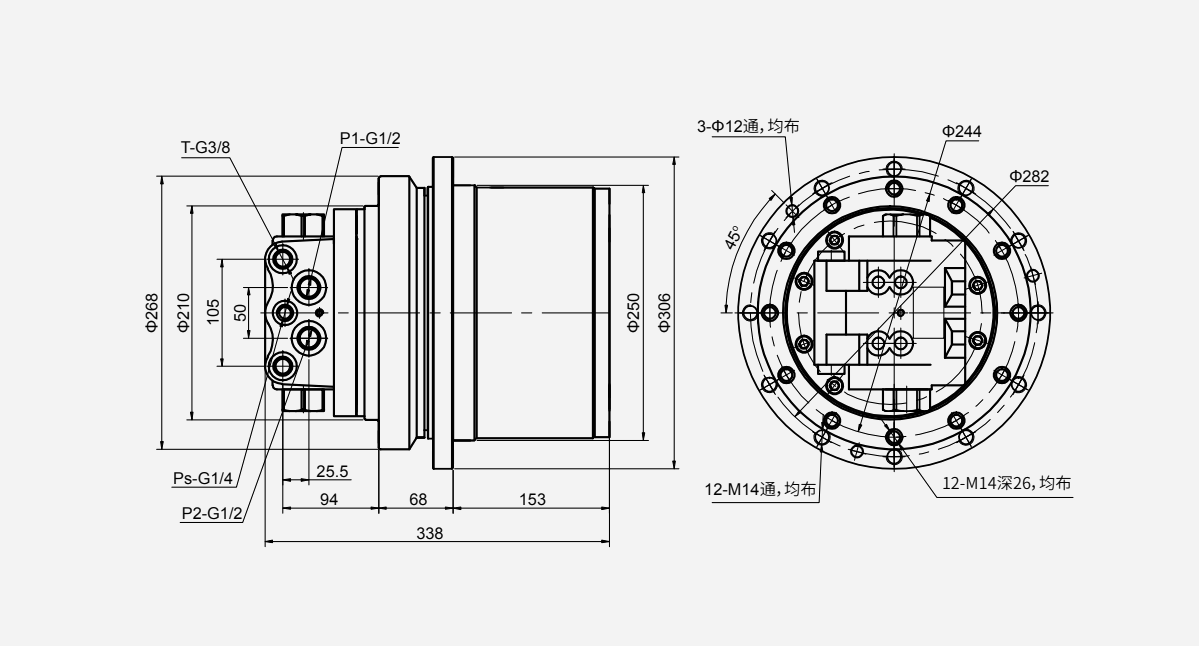
| phương thức | (L/phút) | (ML/r) Động cơ | (Mpa) | (Mpa) | Tỷ số truyền | (Nm) | (vòng/phút) | Xoay | (°C) dầu | (mm2/s) |
| ITM04 | 40 | 14.3/23.6 | 21 | 2-7 | 52.7 | 4200 | 55/33 | hai chiều | -20- 80 | 16-25 |
| phương thức | (L/phút) Lưu lượng đầu vào | (ML/r) | (Mpa) | (Mpa) | Tỷ số truyền | (Nm) | (vòng/phút) | Xoay | (°C) | (mm2/s) |
| ITM06 | 50 | 34/19 | 24.5 | 2-7 | 47.53 | 6300 | 55/30 | hai chiều | -20- 80 | 16-25 |
| phương thức | (L/phút) Lưu lượng đầu vào | (ML/r) | (Mpa) Áp suất làm việc | (Mpa) | Tỷ số truyền | (Nm) | (vòng/phút) | Xoay | (°C)dầu | (mm2/s) |
| ITM07 | 50 | 22/44 | 27.5 | 2-7 | 53.706 | 10500 | 50/25 | hai chiều | -20- 80 | 16-25 |
ITM09:
| phương thức | (L/phút) | (ML/r) | (Mpa) | (Mpa) | Tỷ số truyền | (Nm) | (vòng/phút) | Xoay | (°C) | (mm2/s) |
| ITM09 | 80 | 34/53 | 30 | 2-7 | 53.7 | 11500 | 51/33 | hai chiều | -20- 80 | 16-25 |
| phương thức | (L/phút) | (ML/r) | (Mpa) | (Mpa) | Tỷ số truyền | (Nm) | (vòng/phút) | Xoay | (°C) | (mm2/s) |
| ITM10 | 80 | 38/65 | 25 | 2-7 | 53.7 | 13000 | 51/33 | hai chiều | -20- 80 | 16-25 |
| phương thức | (L/phút) | (ML/r) | (Mpa) | (Mpa) | Tỷ số truyền | (Nm) | (vòng/phút) | Xoay | (°C) | (mm2/s) |
| ITM18 | 130 | 43/67 | 30 | 2-7 | 53 | 16900 | 57/37 | hai chiều | -20- 80 | 16-25 |
| phương thức | (L/phút) | (ML/r) | (Mpa) | (Mpa) | Tỷ số truyền | (Nm) | (vòng/phút) | Xoay | (°C) | (mm2/s) | Áp dụng mô hình |
| ITM22 | 130 | 48/81 | 34.3 | 2-7 | 53.7 | 23700 | 50/30 | hai chiều | -20- 80 | 16-25 | 13-17 |
| phương thức | (L/phút) | (ML/r) | (Mpa) | (Mpa) | Tỷ số truyền | (Nm) | (vòng/phút) lý thuyết | Xoay | (°C) | (mm2/s) |
| ITM40 | 230 | 99/147 | 34.3 | 2-7 | 50.5 | 40546 | 50/32 | hai chiều | -20- 80 | 16-25 |
| phương thức | (L/phút) | (ML/r) | (Mpa) | (Mpa) | Tỷ số truyền | (Nm) | (vòng/phút) | Xoay | (°C) | (mm2/s) |
| ITM60 | 330 | 195/120 | 34.3 | 2-7 | 63.84 | 67000 | 26/40 | hai chiều | -20- 80 | 16-25 |
Sản phẩm do doanh nghiệp nổi tiếng cung cấp được người dùng tin tưởng sâu sắc.
Số năm kinh nghiệm trong ngành
Khu nhà xưởng
Nhân viên khéo léo
Dây chuyền sản xuất tiên tiến
INI Hydraulic Co., Ltd. Chuyên thiết kế và sản xuất tời thủy lực, động cơ thủy lực và hộp số hành tinh trong hơn hai mươi năm. Chúng tôi là một trong những nhà cung cấp phụ kiện máy móc xây dựng chuyên nghiệp ở châu Á. Tùy chỉnh để tối ưu hóa thiết kế thiết bị thông minh của khách hàng là cách chúng tôi duy trì sức sống trên thị trường. Trong 26 năm, được thúc đẩy bởi cam kết đổi mới liên tục để đáp ứng nhu cầu của khách hàng, chúng tôi đã phát triển một loạt các dòng sản phẩm dựa trên công nghệ nghiên cứu và phát triển độc lập. Có rất nhiều loại sản phẩm, mỗi loại có liên quan chặt chẽ, bao gồm tời thủy lực và điện, hộp số hành tinh, ổ xoay, ổ đĩa truyền động, động cơ thủy lực, bơm và hệ thống thủy lực.
Độ tin cậy của các sản phẩm của chúng tôi đã được chứng minh mạnh mẽ trong các ứng dụng đa dạng, bao gồm không giới hạn máy móc công nghiệp, máy xây dựng, máy móc trên tàu và boong, thiết bị ngoài khơi, máy móc khai thác mỏ và luyện kim.
Ngoài ra, chất lượng sản phẩm của chúng tôi đã được nhiều tổ chức chứng nhận nổi tiếng trên toàn thế giới chứng nhận. Các chứng nhận mà sản phẩm của chúng tôi đã đạt được bao gồm Chứng chỉ kiểm tra loại EC, BV MODE, Chứng chỉ DNV GL, Chứng nhận phù hợp của EC, Chứng nhận phê duyệt loại cho sản phẩm hàng hải và Đảm bảo chất lượng đã đăng ký của Lloyd. Cho đến nay, ngoài Trung Quốc, thị trường nội địa của chúng tôi, chúng tôi đã xuất khẩu rộng rãi sản phẩm sang Hoa Kỳ, Đức, Hà Lan, Úc, Nga, Thổ Nhĩ Kỳ, Singapore, Nhật Bản, Hàn Quốc, Malaysia, Việt Nam, Ấn Độ và Iran. Dịch vụ hậu cần và hậu mãi của chúng tôi phủ sóng toàn thế giới một cách nhanh chóng và đáng tin cậy vì lợi ích sâu sắc của khách hàng.
27 Oct,2025
20 Oct,2025
13 Oct,2025
TOP