16 Mar,2026
Bánh răng so với Cánh gạt và Piston: Máy bơm thủy lực công nghiệp nào mang lại hiệu quả tốt nhất?


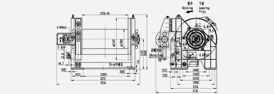
| Xếp hạng đầy đủ ở lớp 1 (kN) | 1000 |
| Tốc độ định mức ở lớp 1 (m/phút) | 7 |
| Tổng dịch chuyển (ml/r) | 131500 |
| Áp suất hệ thống (MPa) | 35 |
| Khác biệt. áp suất (MPa) | 32 |
| Đường kính dây (mm) | 52 |
| Số lớp dây | 9 |
| Dung tích trống (m) | 1800 |
| Lưu lượng bơm (L/phút) | 300 |
| Loại động cơ | HL-A4FM500-01 |
| Loại hộp số | IGC550W3-B263 (i=263) |
Sản phẩm do doanh nghiệp nổi tiếng cung cấp được người dùng tin tưởng sâu sắc.
Số năm kinh nghiệm trong ngành
Khu nhà xưởng
Nhân viên khéo léo
Dây chuyền sản xuất tiên tiến
INI Hydraulic Co., Ltd. Chuyên thiết kế và sản xuất tời thủy lực, động cơ thủy lực và hộp số hành tinh trong hơn hai mươi năm. Chúng tôi là một trong những nhà cung cấp phụ kiện máy móc xây dựng chuyên nghiệp ở châu Á. Tùy chỉnh để tối ưu hóa thiết kế thiết bị thông minh của khách hàng là cách chúng tôi duy trì sức sống trên thị trường. Trong 26 năm, được thúc đẩy bởi cam kết đổi mới liên tục để đáp ứng nhu cầu của khách hàng, chúng tôi đã phát triển một loạt các dòng sản phẩm dựa trên công nghệ nghiên cứu và phát triển độc lập. Có rất nhiều loại sản phẩm, mỗi loại có liên quan chặt chẽ, bao gồm tời thủy lực và điện, hộp số hành tinh, ổ xoay, ổ đĩa truyền động, động cơ thủy lực, bơm và hệ thống thủy lực.
Độ tin cậy của các sản phẩm của chúng tôi đã được chứng minh mạnh mẽ trong các ứng dụng đa dạng, bao gồm không giới hạn máy móc công nghiệp, máy xây dựng, máy móc trên tàu và boong, thiết bị ngoài khơi, máy móc khai thác mỏ và luyện kim.
Ngoài ra, chất lượng sản phẩm của chúng tôi đã được nhiều tổ chức chứng nhận nổi tiếng trên toàn thế giới chứng nhận. Các chứng nhận mà sản phẩm của chúng tôi đã đạt được bao gồm Chứng chỉ kiểm tra loại EC, BV MODE, Chứng chỉ DNV GL, Chứng nhận phù hợp của EC, Chứng nhận phê duyệt loại cho sản phẩm hàng hải và Đảm bảo chất lượng đã đăng ký của Lloyd. Cho đến nay, ngoài Trung Quốc, thị trường nội địa của chúng tôi, chúng tôi đã xuất khẩu rộng rãi sản phẩm sang Hoa Kỳ, Đức, Hà Lan, Úc, Nga, Thổ Nhĩ Kỳ, Singapore, Nhật Bản, Hàn Quốc, Malaysia, Việt Nam, Ấn Độ và Iran. Dịch vụ hậu cần và hậu mãi của chúng tôi phủ sóng toàn thế giới một cách nhanh chóng và đáng tin cậy vì lợi ích sâu sắc của khách hàng.
16 Mar,2026
09 Mar,2026
02 Mar,2026
TOP